



产品介绍
LEIK RJ45-POE系列网络摄像机电涌保护器依据IEC及ITU-T相关防雷标准设计,采用多级保护电路,选用进口高速保护器件,低电容设计,响应速度快,输出残压低,传输性能优越。接口采用标准RJ45屏蔽水晶头,适用于网络摄像机、各种网络设备信号端口和电源端口的综合防护,抑制线路上的高压脉冲,保护后端设备免受雷电、工业浪涌的损害。
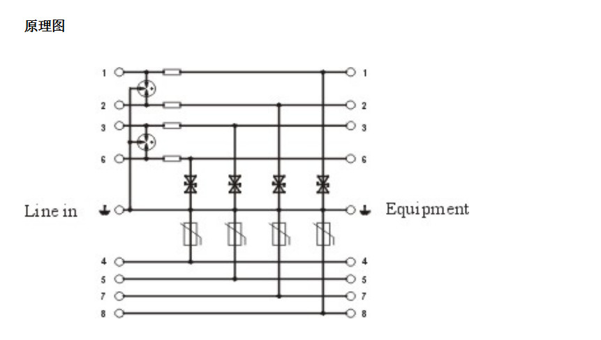
本产品选用金属外壳、密封性好,具有防尘防腐蚀功能,采用串联方式连接,安装于被保护设备和外线之间。
技术参数
产品型号 | Type | LK-RJ45/8-POE | |||
信号(10/700μs) | 电源(8/20μs) | ||||
额定工作电压 | Un | 5V | 48V | ||
最大可持续工作电压 | Uc | 5.8V | 72V | ||
通流量/线 | 线/线 | In | 6KV 150A | 3KA | |
线/地 | 6KV 150A | 3KA | |||
电源最大放电电流(8/20μs) | Imax | / 5KA | |||
电压保护水平(@In) | 线/线 | ≤30V | ≤150V | ||
线/地 | ≤500V | ≤600V | |||
传输速率(3dB) | fg | > 100MHz | -- | ||
接口形式 | RJ45接口 | ||||
保护线数 | 1,2,3,6 | 4,5(+) 7,8(-) | |||
外壳材料 | 铝合金 | ||||
插入损耗 | lL | ≤0.5dB | / | ||
串接电阻 | R | 4.7Ω | / | ||


