



产品介绍
LK-S05K12D/24D/24A用于直流(二次)电源供电的电子设备的精细过压保护,对电磁干扰敏感的通信网线路,使其免受雷电过电压和感应过电压、静电放电等所造成的损坏。
功能特点
D级过压保护器
额定放电电流较大,响应时间快
采用模块化设计,易于安装和维护
具有过压、过流、限压三重保护功能
技术参数
型号 | LK-S05K12D | LK-S05K24D | LK-S05K24A | |
标称电压 | Un | 12V | 24V | 24V |
最大持续工作电压 | Uc | 18v | 36v | 36v |
电压保护级别(在Isn时) | Up | ≤30V | ≤60V | ≤100VAC |
额定放电电流(8/20μs) | In | 5KA | 5KA | 5KA |
最大放电电流(8/20μs) | Imax | 10KA | 10KA | 10KA |
响应时间 | ta | ≤10ns | ≤10ns | ≤10ns |
工作温度 | -40/+85℃ | -40/+85℃ | -40/+85℃ | |
连接 | 1.0-2.5mm多 股或单股导线 | 1.0-2.5mm多 股或单股导线 | 1.0-2.5mm多 股或单股导线
| |
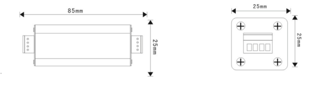
规格尺寸 | 25*25*85mm | 25*25*85mm | 25*25*85mm |
产品适用范围
用于两芯线压接口的DC12V/DC24V/AC24V供电的设备保护,如:CCTV摄象机、半球、门禁、考勤、周界防范等产品。
产品规格尺寸

使用说明
1. 防雷器串接在被保护设备与电源线路之间。
2. 防雷器的输入端(IN)的“+”、“-”分别与电源的“+”、“-”相连,输出端(OUT)的“+”、“-”分别与被保护设备的正负极相连,不能接反。
3. 把防雷器的接地线与防雷系统接地线可靠连接。
4. 本产品无须特别维护。当系统工作出现故障怀疑防雷器时,可拆出防雷器后再检查,若还原到使用前的状态后系统恢复正常,则说明防雷器已经损坏,必须立即更换。
安装示意图